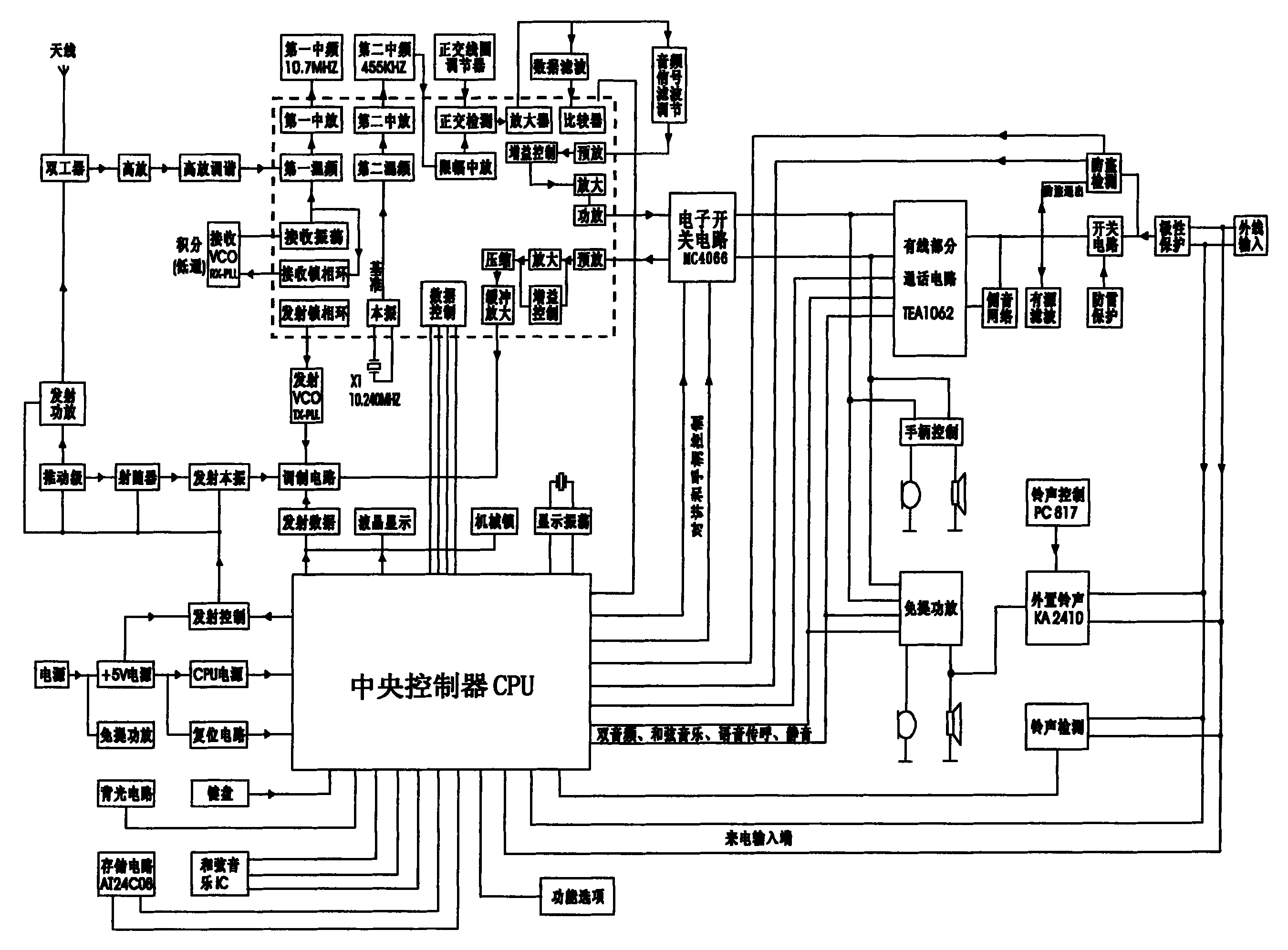
无线电话机(通常称为无线电话或者手机)的原理图涉及多个复杂的组件和电路。这里可以简要概述其主要部分和基本原理。
1、射频(RF)收发器:这是无线电话机的核心部件,负责接收和发送无线信号,它连接到天线,用于与基站进行通信。
2、基带处理器:处理数字信号,包括编码、解码、调制和解调,它还负责处理与基站的数据交换。

3、音频处理电路:包括麦克风、扬声器和音频处理芯片,麦克风将声音转换为电信号,音频处理芯片对这些信号进行处理,然后通过扬声器播放。
4、控制电路:包括微处理器和各种控制器,如电源管理、用户接口控制等,微处理器执行软件指令,控制无线电话机的各种功能。
5、存储电路:包括内存和存储芯片,用于存储用户数据、应用程序和系统信息。
6、输入/输出(I/O)接口:包括触摸屏、按键、显示屏等,用户通过这些接口与无线电话机进行交互。

7、电源管理电路:负责电池充电、电量管理和电源分配。
在原理图上,这些部件通过电路连接,形成一个完整的通信系统,射频收发器通过天线发送和接收无线信号,基带处理器处理数字信号,音频处理电路处理声音信号,控制电路管理整个系统的运行,存储电路提供数据存储,I/O接口实现用户交互,电源管理电路确保系统的电源供应。
这只是无线电话机的基本原理图概述,实际的无线电话机原理更复杂,涉及到更多的细节和高级技术,如果您需要更详细的信息或原理图,请查阅相关技术文档或联系专业人士。









